Barnard Trigger Guards
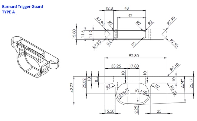
Blank trigger guards to suit Barnard and other target actions. CNC machined from 6061-T6 and sold in the white - fitting and finishing required. We have been
supplying these to gunsmiths and stock makers since 2016.
These are undrilled
to suit a wider variety of actions and stock configurations. We produce two versions of this trigger guard, with the second version (type B) optimized for use with Jewell triggers. Metric
drawings are in the gallery below (all dimensions are in millimeters). Volume discounts apply.
1 - 4 = $35
5 - 9 = $31
10+ = $28
Your Title Here






